UELFC210D1

  • UELFC210D1W3 X AS3S
  • Информация о продукте

    Модель подшипника

  • UELFC210D1W3 X AS3S
  • Базовые нагрузки

    Cr 35 kN Basic dynamic load rating
    C0r 23.2 kN Basic static load rating

    Другие

    Included products

    Bearing UEL210D1 Bearing
    Housing FC210D1 Housing

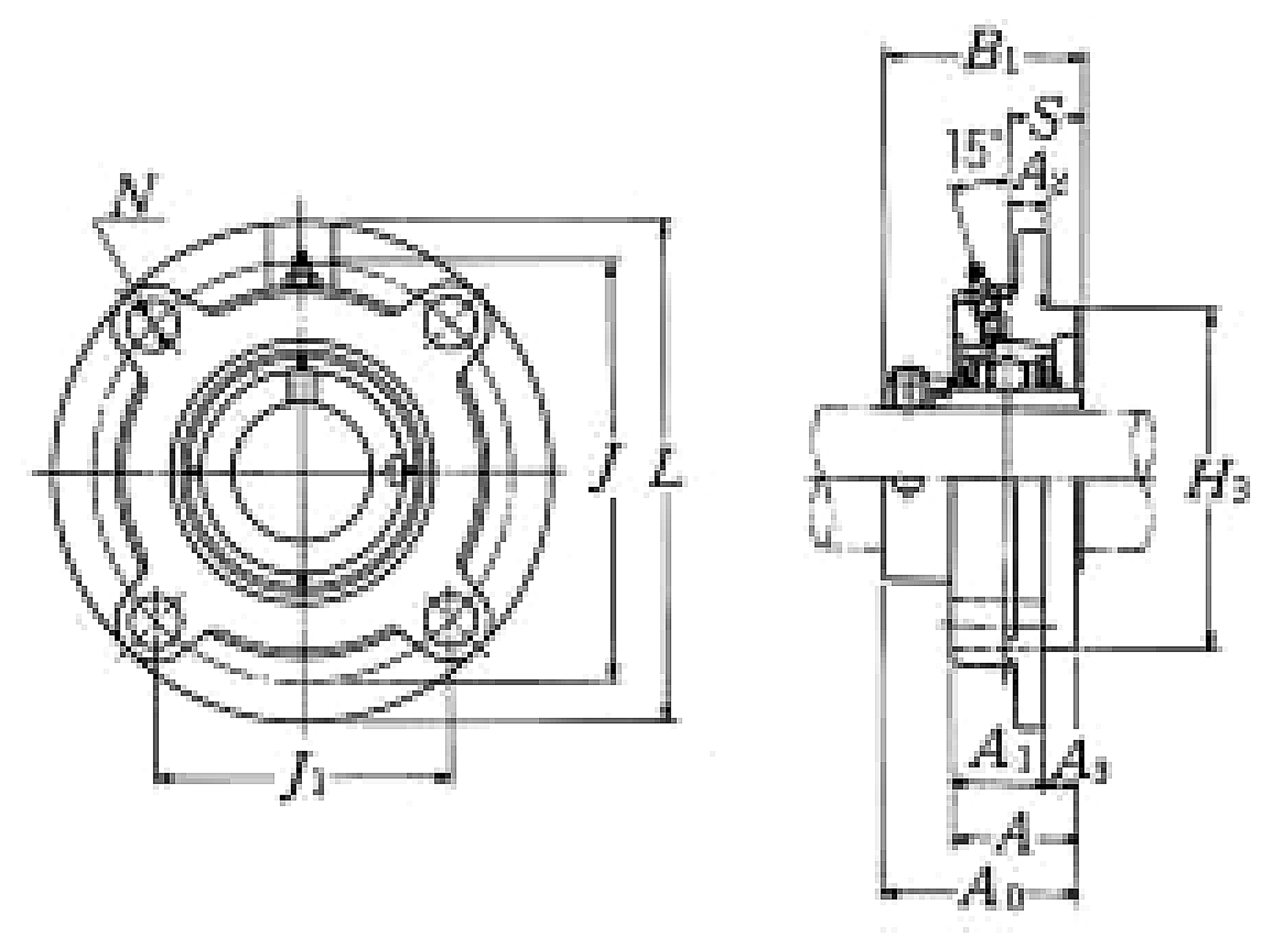
    Nominal Dimensions

    d 50 mm Bore diameter
    L,H 165 mm Overall length
    H3 110 mm Outer diameter of Spigot Joint
    J 138 mm Pitch diameter of attachment bolts
    J1 97.6 mm Distance between attachment bolts
    N 16 mm Diameter of attachment bolt hole
    A3 12 mm Height of of Spigot Joint
    A2 10 mm Flange width
    A1 28 mm Flange width
    A 40 mm Base width
    A0 60.1 mm Overall width
    B,B1,B2 62.7 mm Width of inner ring
    S 24.6 mm Distance from Opposite side face of locking device to raceway centre

    Mounting information

    G M14 Bolt size

    Масса

    mass 3.1 kg Mass approx.