ITJ MF126

  • MF126MC3
  • MF126MC3P5
  • MF126MC3P6
  • MF126MC5
  • MF126MC5P5
  • MF126MC5P6
  • Информация о продукте

    Модель подшипника

    MF126

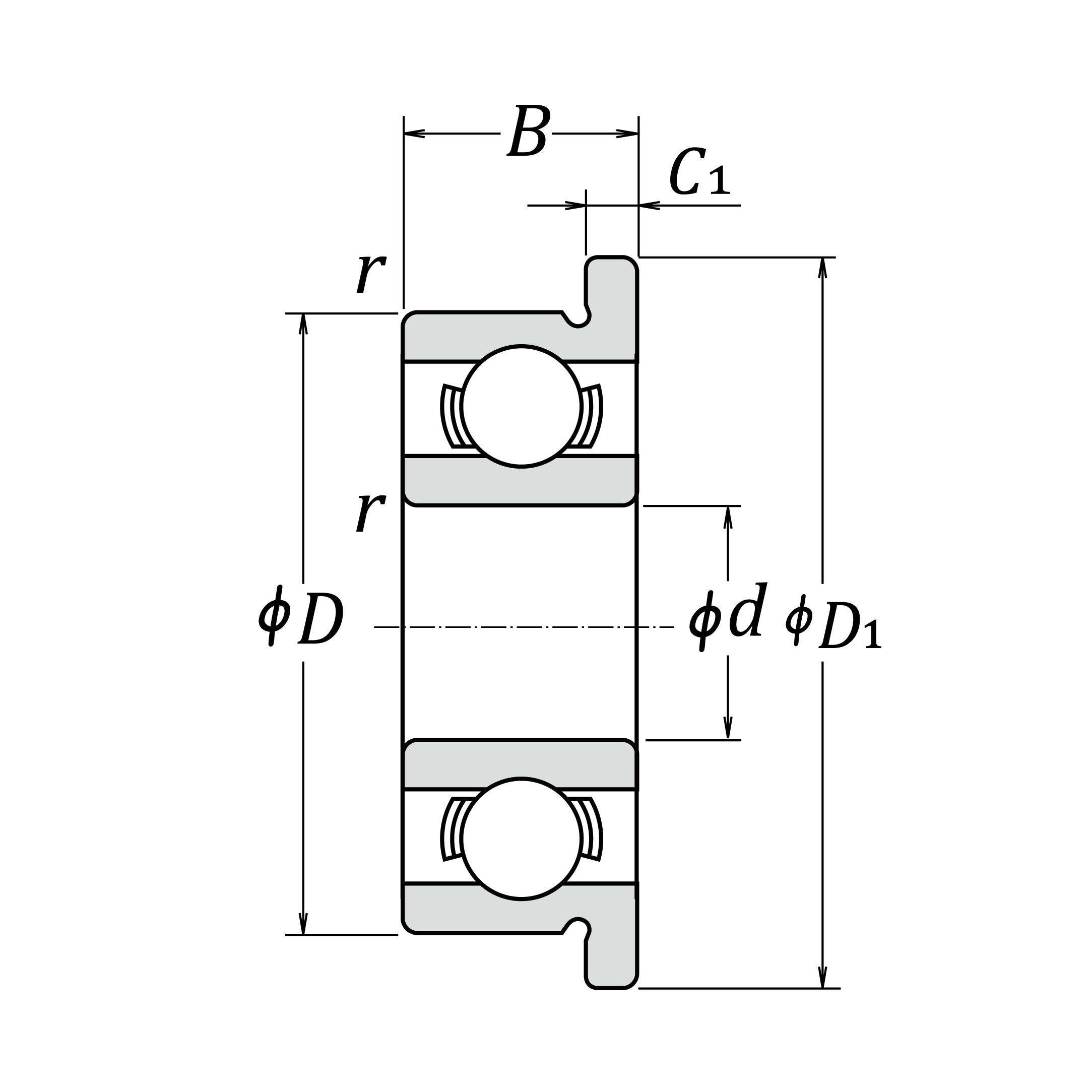
    Габаритные размеры

    d 6 mm Bore diameter
    D 12 mm Outside diameter
    B 3 mm Width
    D1,2 13.2 mm Flange diameter
    C1,2 0.6 mm Flange width
    r (min.) 0.2 mm Chamfer dimension

    Базовые нагрузки

    Cr 790 N Basic dynamic load rating
    C0r 292 N Basic static load rating

    Предельные скорости

    Grease 43000 min-1 Grease lubrication
    Oil (Oil-bath) 50000 min-1 Oil-bath lubrication

    Размеры буртиков и галтелей

    da (min.) 7.6 mm Diameter of shaft abutment
    ra (max.) 0.2 mm Radius of shaft or housing fillet

    Расчетные коэффициенты

    Масса

    (approx.) 0.00138 kg