CM-UCF309D1

  • CM-UCF309D1 X AS3S
  • Информация о продукте

    Модель подшипника

  • CM-UCF309D1 X AS3S
  • Базовые нагрузки

    Cr 53 kN Basic dynamic load rating
    C0r 32 kN Basic static load rating

    Другие

    Included products

    Bearing UC309D1 Bearing
    Housing F309D1 Housing

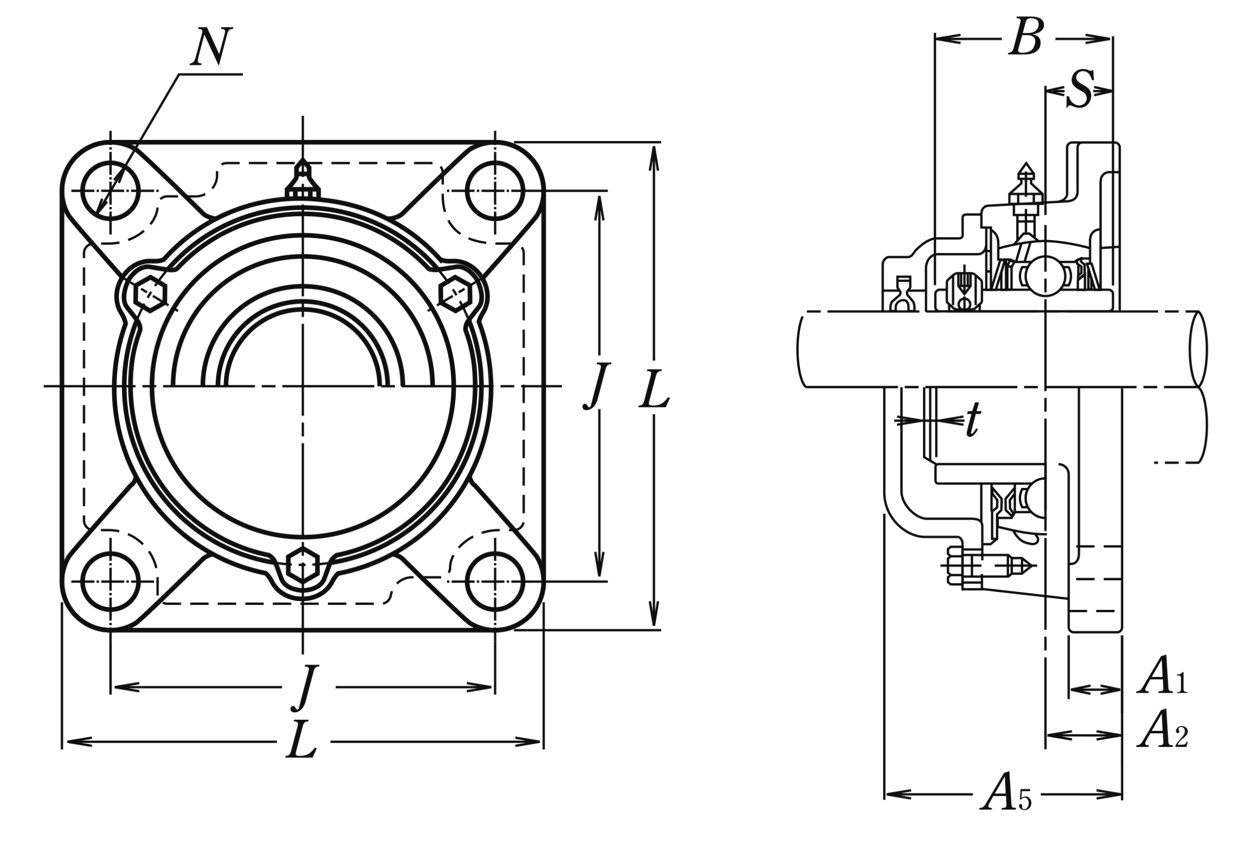
    Nominal Dimensions

    d 45 mm Bore diameter
    L 160 mm Overall length
    J 125 mm Distance between attachment bolts
    N 19 mm Diameter of attachment bolt hole
    A2 25 mm Flange width
    A1 18 mm Flange width
    A5 80 mm Width including end cover
    A0 60 mm Overall width
    B,B1,B2 57 mm Width of inner ring
    t 3 mm Clearance
    S 22 mm Distance from Opposite side face of locking device to raceway centre

    Mounting information

    G M16 Bolt size

    Масса

    mass 4.3 kg Mass approx.