AELPP201
Информация о продукте
Модель подшипника
AELPP201 X AS3S
Базовые нагрузки
| Cr | 9.6 | kN | Basic dynamic load rating |
| C0r | 4.6 | kN | Basic static load rating |
Другие
Included products
| Bearing | AEL201 | Bearing | |
| Housing | PP203 | Housing |
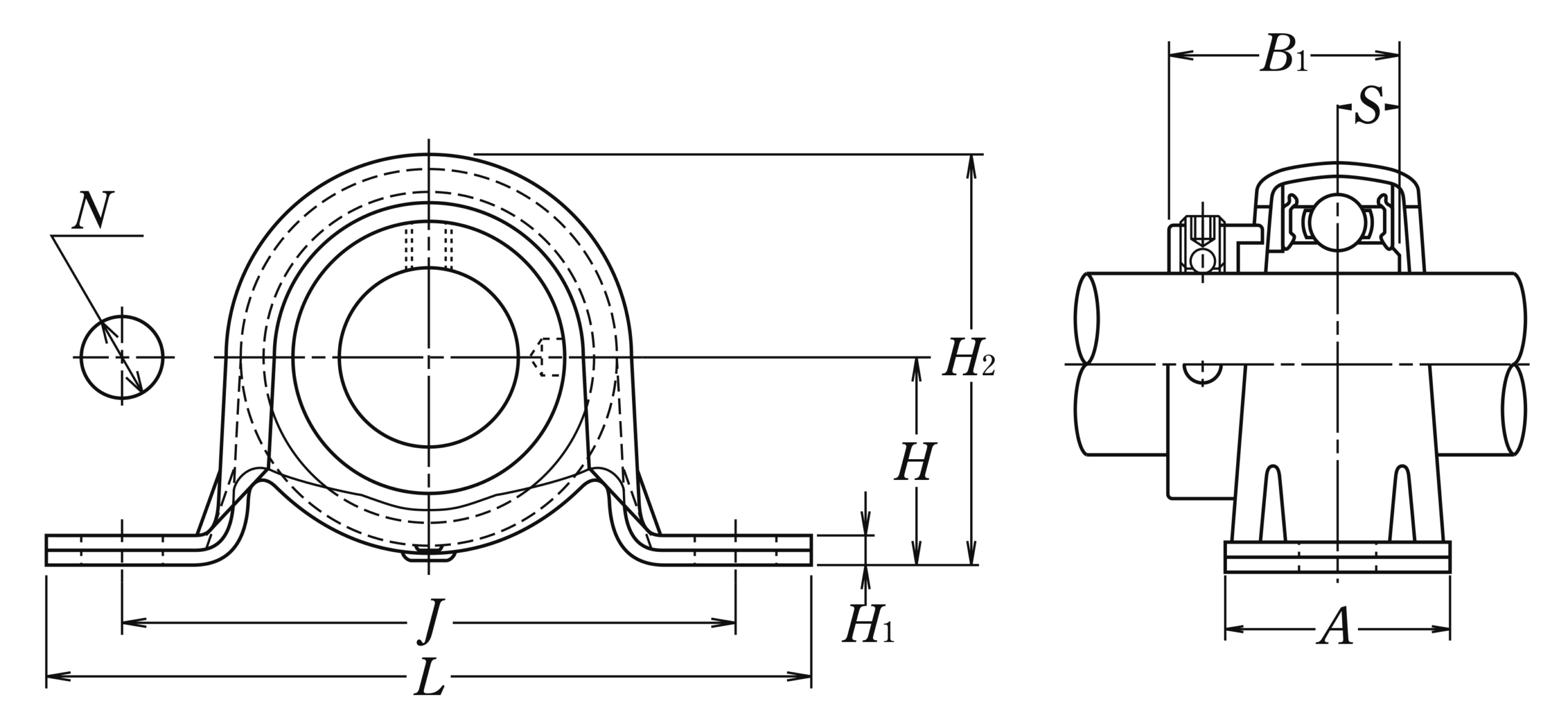
Nominal Dimensions
| d | 12 | mm | Bore diameter |
| L | 86 | mm | Overall length |
| H | 22.2 | mm | Height of spherical seat centre |
| J | 68 | mm | Distance between attachment bolts |
| N | 9.5 | mm | Diameter of attachment bolt hole |
| A | 25 | mm | Base width |
| H1 | 3.2 | mm | Distance between bottoms of piloting grooves |
| B1 | 28.6 | mm | Width of inner ring |
| S | 6.5 | mm | Distance from Opposite side face of locking device to raceway centre |
| H2 | 43.8 | mm | Overall height |
Mounting information
| G | M 8 | Bolt size |
Permissible housing load
| CR | 2 | kN | Radial |
| CA | 0.8 | kN | Axial |
Масса
| mass | 0.2 | kg | Mass approx. |

